Prodej - dům/vila, 145 m²
Petrov nad Desnou, Šumperk
Cena na vyžádáníProdej - dům/vila, 145 m²
Petrov nad Desnou, Šumperk
Prodej RD v Petrově nad Desnou - Investice i bydlení
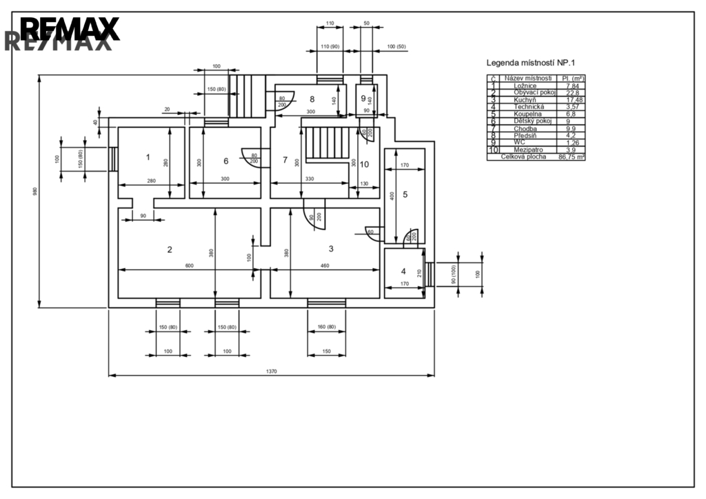
Nemovitost se nachází ve spodní části obce Petrova nad Desnou v okrese Šumperk. Dům o dvou podlažích a celkové podlahové ploše 145 m² prošel částečnou rekonstrukcí. V přízemí je k dispozici předsíň, tři obytné pokoje, kuchyně, koupelna a technická místnost.
Ve druhém patře je započatá rekonstrukce, která nabízí možnost vybudování samostatné bytové jednotky s dispozicí pokojů 2+1 nebo 3kk.
V celém domě byly nově instalovány měděné rozvody elektřiny, datové sítě a vodovodní i topné potrubí. Vytápění je zajištěno plynovým kotlem v kombinaci s bojlerem určeným pro ohřev teplé vody.
K domu náleží prostorná půda a sklep. V roce 2015 byla střecha opatřena plechovou krytinou, současně byly krovy sanačně ošetřeny. Rovněž zde byla instalována dřevěná okna s dvojskly značky Velux.
Dům je napojen na obecní vodovod s možností čerpání vody i z vlastní kopané studny. Odpadní vody jsou svedeny do septiku. Součástí pozemku je rozlehlá rovinatá zahrada o ploše 2 337 m², která obsahuje zastavěnou plochu domu 121 m2, kůlnu a zděnou garáž o zastavěné ploše 29 m2. Ke garáži přiléhá prostorná pergola, zajišťující zázemí pro venkovní posezení.
Pozastavte se nad touto nabídkou a pro poskytnutí bližších informací ohledně nemovitosti mě neváhejte kontaktovat. Prodávající si vyhrazuje právo vybrat kupujícího na základě jím zvolených kritérií.
| Cena: | Cena na vyžádání |
| Poznámka: | cena u makléře |
| Datum k nastěhování: | 04.12.2025 |
| Číslo zakázky: | REALITYMIX-427047 |
Podrobné informace
- Poloha objektu: samostatný
- Druh objektu: cihlová
- Stav objektu: po rekonstrukci
- Počet podlaží objektu: 2
- Typ domu: patrový
- Zastavěná plocha: 121 m²
- Plocha parcely: 2337 m²
- Zahrada: 2187 m²
- Užitná plocha: 145 m²
- Sklep: 58 m²
- Umístění objektu: klidná část obce
- Doprava: vlak, silnice, autobus
- Komunikace: betonová
- Elektřina: Elektro - 230 V
- Voda: Voda - dálkový vodovod
- Telekomunikace: Internet
- Plyn: Plynovod
- Ostatní rozvody: Kabelové rozvody
- Energetická náročnost budovy: G - Mimořádně nehospodárná
- Energetický ukazatel podle vyhlášky: č. 264/2020 Sb.
Právní rádce
-
Detail
V tomto článku shrneme nejdůležitější věci, které byste si měli promyslet, pokud se chystáte prodat svou nemovitost a chcete, abyste s kupujícím nemusel následně řešit vzniklé problémy.
Jako prodávající nesete rizika spojená nejen se samotným obchodem, ale i se stavem nemovitosti v době prodeje a pro minimalizaci rizik, je dobré se zamyslet nad uvedenými oblastmi.
-
Detail
Realitní makléř má své nezastupitelné místo v realitním obchodu. Realitním makléřem nemyslím nevzdělané jelito, které absolvovalo dvoudenní školení a ví, jak se nahraje inzerát na inzertní portál.
Realitním makléřem, který se Vám skutečně vyplatí, je zkušený profesionál, který je schopen Vám dobře poradit jak prodat za co nejvíc a s nejmenším rizikem a hlavně je Vás schopen obratně provést celým realitním obchodem.